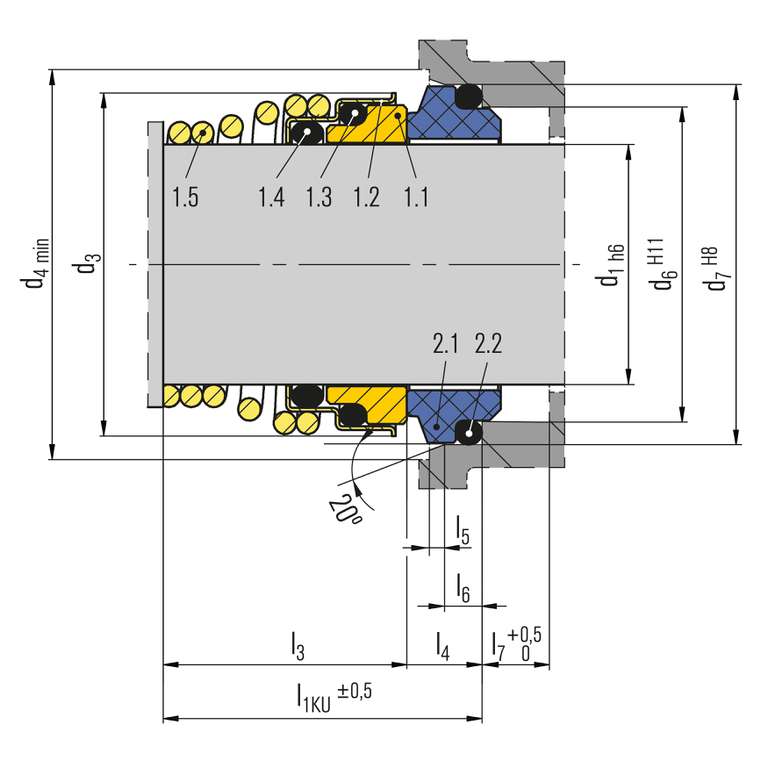
Item Description
1.1 Gleitring
1.2 Winkelring
1.3 O-Ring
1.4 O-Ring
1.5 Feder
2.1 Gegenring
2.2 O-Ring

BT-FN

Merkmale

  • Einzeldichtung
  • Für glatte Wellen
  • Nicht entlastet
  • Kegelfeder rotierend
  • Drehrichtungsabhängig
  • Drehmomentübertragung über Kegelfeder

Vorteile

  • Wirtschaftliche Dichtungslösung
  • Universell einsetzbar
  • Großseriendichtung
  • Großes Werkstoffangebot für maximale Flexibilität
  • Keine Beschädigung der Welle durch Gewindestifte
  • Maßanpassungen möglich
  • Gegenringvarianten sind Teil des Programms

Einsatzbereich

Wellendurchmesser: d1 = 10 … 40 mm (0.39" … 1.57")
Druck: p1*= 12 (16) bar (174 (232) PSI)
Temperatur: t* = -35 °C… +180 °C (-31 °F … +356 °F)
Gleitringgeschwindigkeit: vg = 15 m/s (50 ft/s)

* Abhängig von Medium, Größe und Werkstoffen.

Werkstoffe

Gleitring: Al-Oxid (V, V1), Siliziumcarbid (Q1, Q6, Q7), Wolframkarbid (U)
Gegenring:
Kohlegrafit antimonimprägniert (A),
Kohlegrafit kunstharzimprägniert (B),
Kohlegrafit massiv (B3),
Siliziumkarbid (Q1, Q6, Q7),
Wolframkarbid (U)
PTFE glasfaserverstärkt (Y1),
PTFE kohleverstärkt (Y2)
Elastomer:
NBR (P), EPDM (E), FKM (V), FFKM (K)
Metallische Teile:
CrNi-Stahl 1.4301 (F), CrNiMo-Stahl 1.4401 (G)

Standards und Freigaben

  • Je nach Typ und Werkstoffkombination liegen verschiedenen Werkstoffzulassungen vor, z.B. WRAS, UBA, ACS, NSF, FDA. Bitte anfragen!
  • EN 12756 (FN.NU, FN.KU)

Hinweis

Der Gegenring ist in unterschiedlichen Größen und mit Drehmomentnut lieferbar (verhindert die Rotation des Gegenrings).



Produktvarianten

BT-FN.NU

BT-FN.NU

Positionen und Bezeichnungen wie bei BT-FN, jedoch mit Einbaulänge l1N gemäß EN 12756 (normale Länge, nicht entlastet).

Item Description
1.1 Gleitring
1.2 Winkelring
1.3, 1.4 O-Ring
1.5 Feder
2.1 Gegenring
2.2 O-Ring
BT-FN.KU

BT-FN.KU

Positionen und Bezeichnungen wie bei BT-FN, jedoch mit Einbaulänge l1K gemäß EN 12756 (kurz, nicht entlastet).
POS. BENENNUNG
1.1 Gleitring
1.2 Winkelring
1.3, 1.4 O-Ring
1.5 Feder
2.1 Gegenring
2.2 O-Ring

Ähnliche Produkte

AX25

  • Außenliegend
  • Entlastet
  • Drehrichtungsunabhängig
  • Druckrichtungsunabhängig

AX25D

  • Doppeldichtung
  • Entlastet
  • Drehrichtungsunabhängig
  • Druckrichtungsunabhängig

AX30

  • Nicht entlastet
  • Drehrichtungsabhängig
  • Massive Gleitelemente
Kontakt

Individuelle Lösung anfragen

Wir entwickeln und produzieren kundenspezifische Sonder- und Einzellösungen für jeden Anwendungsfall.

Experte kontaktieren Referenzprojekte anzeigen
Zurück zur Übersicht