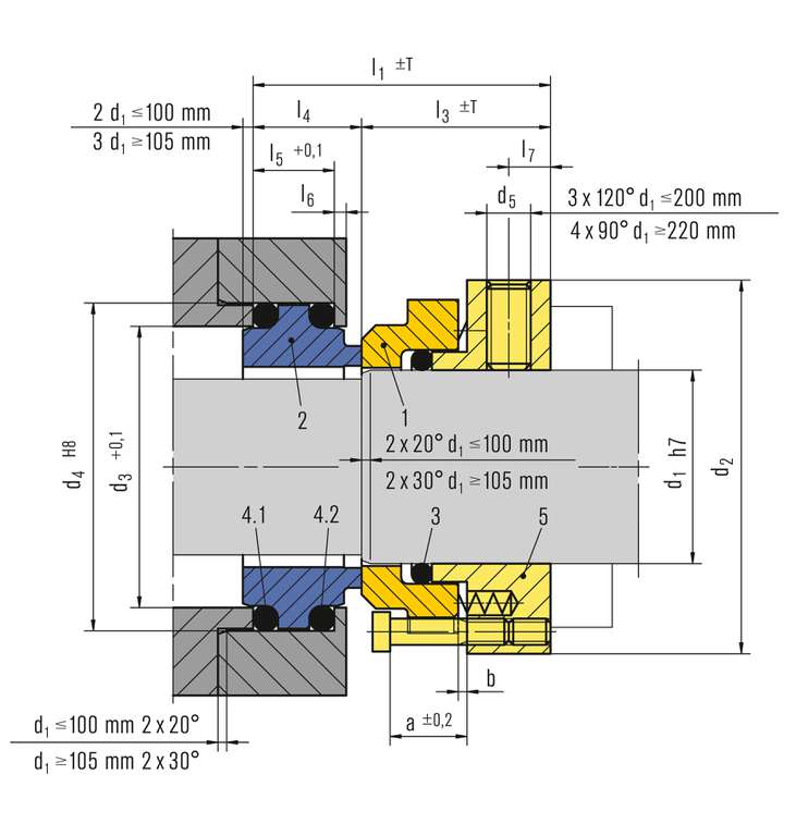
Pos. Benennung
1 Gleitring
2 Gegenring
3, 4.1, 4.2 O-Ring
5 Druckeinheit

AX25

Merkmale

  • Außenliegend
  • Entlastet
  • Drehrichtungsunabhängig
  • Druckrichtungsunabhängig

Vorteile

  • Robuste und montagefreundliche Konstruktion
  • Federn außerhalb des Produktes
  • Produktseitig metallfrei
  • Einfache Umrüstung von Stopfbuchspackungen

Einsatzbereich

Wellendurchmesser:
d1 = 15 … 300 mm (0,59" ... 11,81")
Druck: p1 = 16 bar (232 PSI)
Temperatur:
t = -40 °C … 220 °C (-40 °F … 428 °F)
Gleitgeschwindigkeit: vg = 20 m/s (66 ft/s)

Werkstoffe

Gleitring:
Siliziumkarbid (Q2), Sonder-CrMo-Stahlguss (S)
Gegenring:
Kohlegrafit, kunstharzimprägniert (B), Siliziumkarbid (Q2)
Nebendichtungen:
EPDM (E), NBR (P), FKM (V), FFKM (K), ummantelt (M)
Federn: CrNiMo-Stahl (G)
Metallische Teile: CrNiMo-Stahl (G)

Ähnliche Produkte

AX25D

  • Doppeldichtung
  • Entlastet
  • Drehrichtungsunabhängig
  • Druckrichtungsunabhängig

AX30

  • Nicht entlastet
  • Drehrichtungsabhängig
  • Massive Gleitelemente

AX40K

  • Stationäre Gleiteinheit
  • Entlastet
  • Drehrichtungsunabhängig
  • Druckrichtungsunabhängig
Kontakt

Individuelle Lösung anfragen

Wir entwickeln und produzieren kundenspezifische Sonder- und Einzellösungen für jeden Anwendungsfall.

Experte kontaktieren Referenzprojekte anzeigen
Zurück zur Übersicht